0577-62881116
13858863870
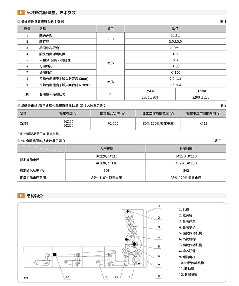
ZN63A(VS1)-12侧装式高压真空断路器
产品介绍 规格参数
ZN63A(VS1)-12侧装式高压真空断路器详情参数请咨询:0577-62881113 0577-62881116
二维码 关闭