0577-62881116
13858863870
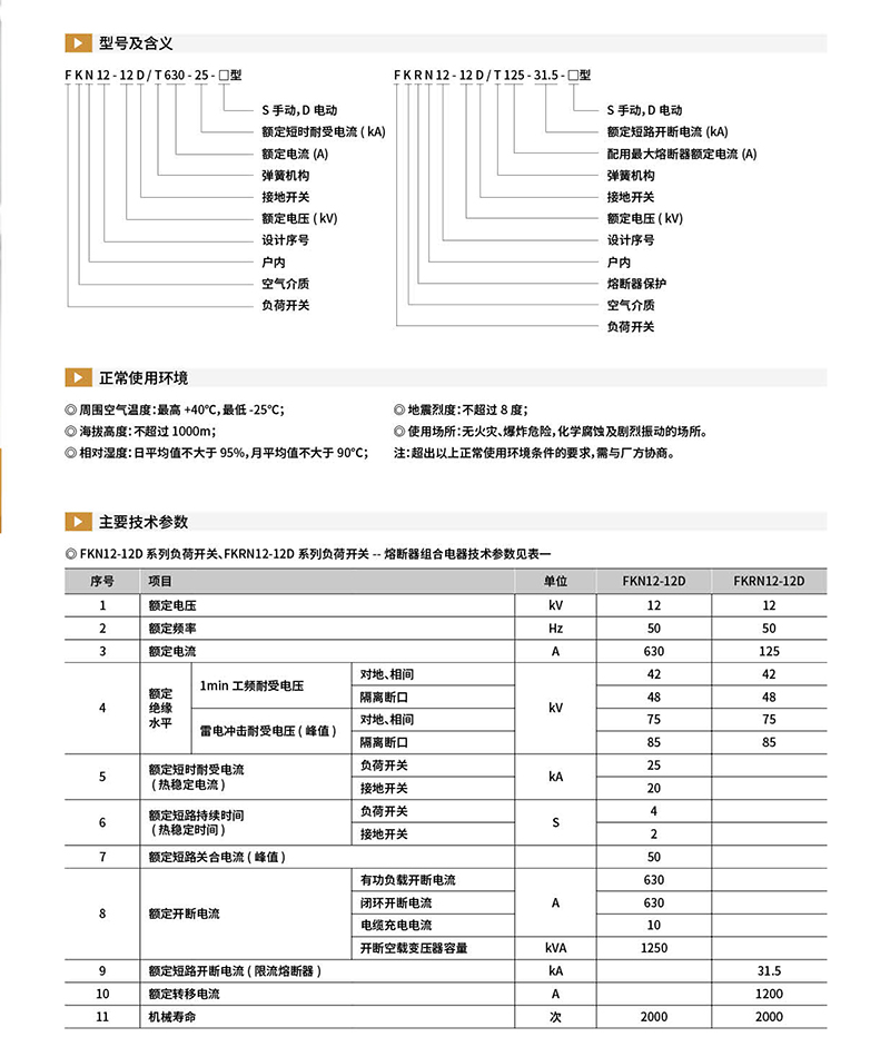
FKRN12-12(D)/T125-31.5高压负荷开关熔断器组合电器
产品介绍 规格参数
FKRN12-12(D)/T125-31.5高压负荷开关熔断器组合电器详情参数请咨询:0577-62881113 0577-62881116
二维码 关闭